µ¥É«µãÕóºÚ°×Òº¾§ÆÁ,×Ö·ûÒº¾§ÆÁ,¶ÎÂëÒº¾§ÆÁ

µ¥É«µãÕóºÚ°×Òº¾§ÆÁרҵ¹©Ó¦ÉÌ
µ¥É«µãÕóºÚ°×Òº¾§ÆÁ¿Í·þÈÈÏß
  • Ê×Ò³
  • ¹ØÓÚÎÒÃÇ
  • µãÕóÒº¾§ÆÁ
    COBµãÕóÆÁ COGµãÕóÆÁ ×Ö·ûÐÍÆÁ ¶¨ÖƶÎÂëÆÁ oledÒº¾§ÆÁ ´øÖÐÎÄ×Ö¿âlcd
  • ¶ÎÂëÒº¾§ÆÁ
    ÒÇÆ÷ÒDZíÀàÆÁ ͨѶÆ÷²ÄÀà ¼ÒÓõçÆ÷Àà Æû³µµç×ÓÀà Ò½ÁƱ£½¡Àà ÎÄÓéÓÎÏ·Àà ½ðÈÚµç×ÓÀà VAºÚĤҺ¾§ÆÁ
  • ²ÊɫҺ¾§ÆÁ
  • ÐÂÎÅ×ÊѶ
  • ¼¼Êõ·þÎñ
  • ÁªÏµÎÒÃÇ
ÄãµÄλÖ㺠Ê×Ò³ > µ¥É«Òº¾§ÆÁ > ×Ö·ûÐÍÆÁ > 16(ÎÄ×Ö)*2(ÐÐ) >
µãÕó×Ö·ûÒº¾§ÆÁ
  • COBµãÕóÆÁ
  • COGµãÕóÆÁ
  • ×Ö·ûÐÍÆÁ
  • ¶¨ÖƶÎÂëÆÁ
  • oledÒº¾§ÆÁ
  • ´øÖÐÎÄ×Ö¿âlcd

LH1602DµãÕó×Ö·ûÒº¾§Ä£¿é

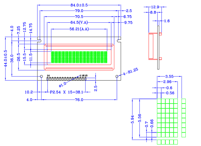
ÊÓÓò³ß´ç£º64.5*13.8 ÎÄ×Ö*ÐУº16(×Ö·û)*2(ÐÐ)
ÍâÐͳߴ磺80*36*12.9 ½Ó¿Ú·½Ê½£º²¢/´®¿ÉÑ¡
Ò»¡¢LH1602DµãÕó×Ö·ûÒº¾§Ä£×éÄ£¿é½éÉÜ
LH1602DµãÕó×Ö·ûÆÁ£¬×Ö·ûÏÔʾÐÎʽÊÇ£ºÎÄ×Ö×ÐУº 8*2
¶þ¡¢LH1602DµãÕó×Ö·ûÒº¾§Ä£×éÄ£¿é»ù±¾²ÎÊý±íÌØÕ÷
 
LH1602DµãÕó×Ö·ûÒº¾§ÆÁ²ÎÊý±í
²úÆ·ÐͺŠ1602ϵÁÐ
ÎÄ×Ö×ÐÐ 16*2
ÍâÐͳߴç 84*44
ÊÓÓò³ß´ç 64.5*15.5
ÏÔÊ¾ÇøÓò 56.21*11.5
ÏñËØ³ß´ç 0.56*0.66
ÏÔʾģʽ STN,YELLOW-GREEN
±³¹âģʽ YELLOW-GREEN,BOTTOM
LCDÏÔʾ½Ç¶È 6µãÖÓÖ±¹Û
¿ØÖÆÆ÷ S6A0069
Çý¶¯·½Ê½ 1/16duty£¬1/5bias
½Ó¿Ú·½Ê½ ´®¿Ú/²¢¿Ú
Á¬½Ó·½Ê½ µ¼µç½ºÌõ£¬Ìú¿ò
¹¤×÷ÎÂ¶È 0¡æ~ 50¡æ
´æ´¢ÎÂ¶È -10¡æ~ 60¡æ
±³¹â¹©µç 5.0V
µçÔ´VDD 5.0V
¹¤ÒÕ COB


Èý£ºLH1602DµãÕó×Ö·ûÒº¾§Ä£×éÄ£¿éͼֽ

LH1602DµãÕó×Ö·ûÆÁͼֽ

¡ñ ²¹³ä˵Ã÷£ºÒÔÉÏLH1602DµãÕó×Ö·ûÒº¾§Ä£¿é×ÊÁϽö¹©²Î¿¼£¬ÈçÓÐijÏ׼ȷ£¬¿ÉÒÔÁªÏµÎÒÃǿͷþÌṩ²úÆ·µÄ¹æ¸ñ×ÊÁÏ£¬²úÆ·¾ùÒÔpdf¹æ¸ñΪ׼¡£

ÉÏһƪ£ºLCD1602CµãÕó×Ö·ûÒº¾§Ä£×éÄ£¿é²¢/´®½Ó¿Ú-LH1602C×Ö·ûÆÁ¼Û¸ñ
ÏÂһƪ£ºLCD1602FµãÕó×Ö·ûÒº¾§Ä£×éÄ£¿é²¢/´®½Ó¿Ú-LH1602F×Ö·ûÆÁ¼Û¸ñ

ÈÈÏú²úÆ·£ºµãÕóÒº¾§ÆÁ| ×Ö·ûµãÕóÒº¾§ÆÁ| ¶ÏÂëÒº¾§ÆÁ| ºÚ°×Òº¾§ÆÁ| COBµãÕóÒº¾§ÆÁ
COGµãÕóÒº¾§ÆÁ

º¼ÖÝÁ¢»Í¿Æ¼¼ÓÐÏÞ¹«Ë¾¡¡°æÈ¨ËùÓÐ ©2014 Leehon ºÚ°×Òº¾§ÆÁ:www.lcdlh.com
ÕãICP±¸09088427ºÅ-2 ¿Í·þµç»°£º0571-86684288 ÒµÎñºÏ×÷QQ£º3518470298
×ÉѯÔÚÏßQQ