µ¥É«µãÕóºÚ°×Òº¾§ÆÁ,×Ö·ûÒº¾§ÆÁ,¶ÎÂëÒº¾§ÆÁ

µ¥É«µãÕóºÚ°×Òº¾§ÆÁרҵ¹©Ó¦ÉÌ
µ¥É«µãÕóºÚ°×Òº¾§ÆÁ¿Í·þÈÈÏß
  • Ê×Ò³
  • ¹ØÓÚÎÒÃÇ
  • µãÕóÒº¾§ÆÁ
    COBµãÕóÆÁ COGµãÕóÆÁ ×Ö·ûÐÍÆÁ ¶¨ÖƶÎÂëÆÁ oledÒº¾§ÆÁ ´øÖÐÎÄ×Ö¿âlcd
  • ¶ÎÂëÒº¾§ÆÁ
    ÒÇÆ÷ÒDZíÀàÆÁ ͨѶÆ÷²ÄÀà ¼ÒÓõçÆ÷Àà Æû³µµç×ÓÀà Ò½ÁƱ£½¡Àà ÎÄÓéÓÎÏ·Àà ½ðÈÚµç×ÓÀà VAºÚĤҺ¾§ÆÁ
  • ²ÊɫҺ¾§ÆÁ
  • ÐÂÎÅ×ÊѶ
  • ¼¼Êõ·þÎñ
  • ÁªÏµÎÒÃÇ
ÄãµÄλÖ㺠Ê×Ò³ > µ¥É«Òº¾§ÆÁ > COGµãÕóÆÁ > 128*64 >
µãÕóÒº¾§ÆÁ
  • COBµãÕóÆÁ
  • COGµãÕóÆÁ
  • ×Ö·ûÐÍÆÁ
  • ¶¨ÖƶÎÂëÆÁ
  • oledÒº¾§ÆÁ
  • ´øÖÐÎÄ×Ö¿âlcd

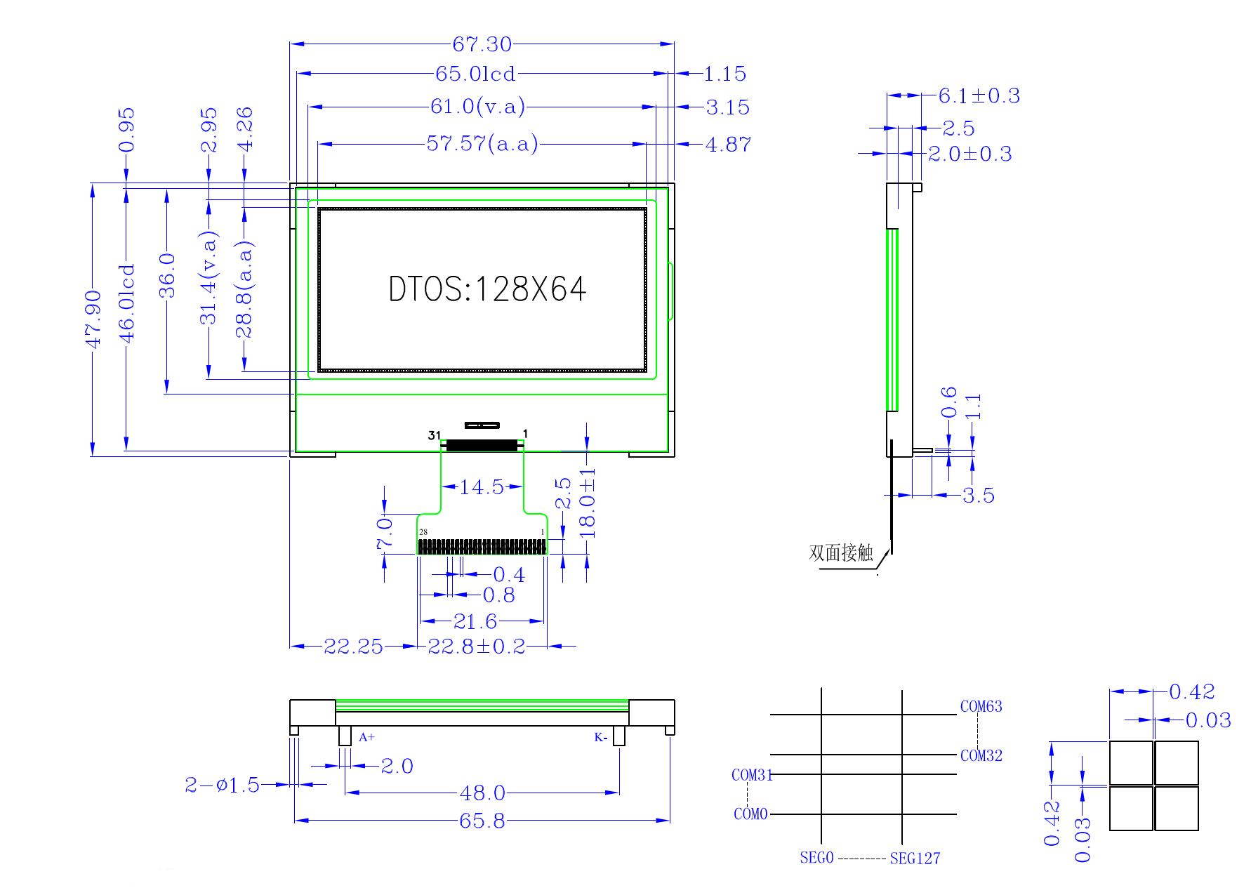
LH12864K27GµãÕóÒº¾§Ä£¿é

ÊÓÓò³ß´ç£º48.00*26.0 µãÕóÊý£º122*32
ÍâÐͳߴ磺57.60*37.80*5.60 ½Ó¿Ú·½Ê½£º´®¿Ú/²¢¿Ú
Ò»¡¢LH12864K27GµãÕóÒº¾§Ä£×éÄ£¿é½éÉÜ
LH12864K27GÊÇCOGLCD12864ϵÁеãÕóÐÍÒº¾§ÏÔʾģ¿é¡£
¶þ¡¢
LH12864K27GµãÕóÒº¾§Ä£×éÄ£¿é»ù±¾²ÎÊý±íÌØÕ÷
LH12864K28Gµ¥É«Òº¾§ÆÁ²ÎÊý±í
²úÆ·ÐͺŠLH12864K28G
µãÕóÊý 128*64ϵÁÐ
³ß´ç 2.53´ç
LCDÍâÐγߴç 67.30*47.90*4.50
ÊÓ´°´óС£¨V.A£© 61.0*31.40
ÓÐЧ´°¿Ú´óС£¨A.A£© 57.57*28.77
ÏÔʾģʽ STN£¬À¶Ä¤£¬È«Í¸£¬¸ºÏÔ£¨ÆäËûÑÕÉ«Çë×Éѯ£©
±³¹âÀàÐÍ °×É«²à±³¹â£¨ÆäËûÑÕÉ«Çë×Éѯ£©
LCDÏÔʾ½Ç¶È 6µãÖÓÖ±¹Û
¿ØÖÆÆ÷ ST7538
Çý¶¯·½Ê½ 1/64 duty   1/9 bias
½Ó¿Ú·½Ê½ ´®¿Ú/²¢¿Ú
¹¤×÷ÎÂ¶È -20¡æ~ 70¡æ
´æ´¢ÎÂ¶È -30¡æ~ 80¡æ
±³¹â¹©µç 3.3V
µçÔ´VDD 3.3V
¹¤ÒÕ COG

 

Èý£ºLH12864K27GµãÕóÒº¾§Ä£×éÄ£¿éͼֽ




ËÄ£ºLH12864K27GµãÕóÒº¾§Ä£×éÄ£¿éʵÎï²Î¿¼Í¼

 

ÒÔÉÏLH12864K27GµãÕóÒº¾§Ä£×éÄ£¿é×ÊÁϽö¹©²Î¿¼£¬´¿ÊÖ¹¤±à¼­£¬ÈçÓдíÎó»òÒÉÎÊ£¬¿ÉÒÔÏÂÔØLH12864K27GÒº¾§Ä£¿é¹æ¸ñÊ飬²ÎÊý¾ùÒÔPDFÉϵÄΪ׼¡£


 

ÉÏһƪ£º2.42´çLcd12864K26GͼÐεãÕóÒº¾§Ä£¿éCOG³§¼Ò-12864K26GÒº¾§Ä£×é
ÏÂһƪ£ºLcd12864K29GͼÐεãÕóÒº¾§Ä£¿éCOG³§¼Ò-12864K29GÒº¾§Ä£×éµÄÖÐÎÄ

ÈÈÏú²úÆ·£ºµãÕóÒº¾§ÆÁ| ×Ö·ûµãÕóÒº¾§ÆÁ| ¶ÏÂëÒº¾§ÆÁ| ºÚ°×Òº¾§ÆÁ| COBµãÕóÒº¾§ÆÁ
COGµãÕóÒº¾§ÆÁ

º¼ÖÝÁ¢»Í¿Æ¼¼ÓÐÏÞ¹«Ë¾¡¡°æÈ¨ËùÓÐ ©2014 Leehon ºÚ°×Òº¾§ÆÁ:www.lcdlh.com
ÕãICP±¸09088427ºÅ-2 ¿Í·þµç»°£º0571-86684288 ÒµÎñºÏ×÷QQ£º3518470298
×ÉѯÔÚÏßQQ