µ¥É«µãÕóºÚ°×Òº¾§ÆÁ,×Ö·ûÒº¾§ÆÁ,¶ÎÂëÒº¾§ÆÁ

µ¥É«µãÕóºÚ°×Òº¾§ÆÁרҵ¹©Ó¦ÉÌ
µ¥É«µãÕóºÚ°×Òº¾§ÆÁ¿Í·þÈÈÏß
  • Ê×Ò³
  • ¹ØÓÚÎÒÃÇ
  • µãÕóÒº¾§ÆÁ
    COBµãÕóÆÁ COGµãÕóÆÁ ×Ö·ûÐÍÆÁ ¶¨ÖƶÎÂëÆÁ oledÒº¾§ÆÁ ´øÖÐÎÄ×Ö¿âlcd
  • ¶ÎÂëÒº¾§ÆÁ
    ÒÇÆ÷ÒDZíÀàÆÁ ͨѶÆ÷²ÄÀà ¼ÒÓõçÆ÷Àà Æû³µµç×ÓÀà Ò½ÁƱ£½¡Àà ÎÄÓéÓÎÏ·Àà ½ðÈÚµç×ÓÀà VAºÚĤҺ¾§ÆÁ
  • ²ÊɫҺ¾§ÆÁ
  • ÐÂÎÅ×ÊѶ
  • ¼¼Êõ·þÎñ
  • ÁªÏµÎÒÃÇ
ÄãµÄλÖ㺠Ê×Ò³ > µ¥É«Òº¾§ÆÁ > COBµãÕóÆÁ > 320*240 >
µãÕóÒº¾§ÆÁ
  • COBµãÕóÆÁ
  • COGµãÕóÆÁ
  • ×Ö·ûÐÍÆÁ
  • ¶¨ÖƶÎÂëÆÁ
  • oledÒº¾§ÆÁ
  • ´øÖÐÎÄ×Ö¿âlcd

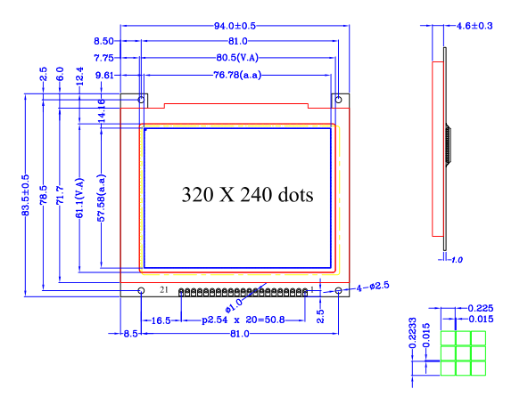
LH320240C2µãÕóÒº¾§Ä£¿é

ÊÓÓò³ß´ç£º117.8*89.1 µãÕóÊý£º320*240
ÍâÐͳߴ磺160*109*11 ½Ó¿Ú·½Ê½£º²¢¿Ú
Ò»¡¢LH320240C2µãÕóÒº¾§Ä£¿é½éÉÜ
LH320240C2ÊÇLCD320240ϵÁеãÕóÐÍÒº¾§ÏÔʾģ¿é¡£
¶þ¡¢LH320240C2µãÕóÒº¾§Ä£¿é»ù±¾²ÎÊý±íÌØÕ÷
 
LH320240IµãÕóÒº¾§ÆÁ²ÎÊý±í
²úÆ·ÐͺŠ320240ϵÁÐ
µãÕóÊý 320*240
ÍâÐͳߴç 83.8*76.5*8.7
ÊÓÓò³ß´ç 60*60
ÏÔÊ¾ÇøÓò 54.38*54.38
ÏñËØ¼ä¾à 0.34*0.34
ÏñËØ³ß´ç 0.32*0.32
ÏÔʾģʽ FSTN
±³¹âÀàÐÍ WHITE
ÊÓ½Ç 6µãÖÓÖ±¹Û
¿ØÖÆÆ÷ UC1698
Çý¶¯·½Ê½ 1/160 duty£¬1/12 bias
½Ó¿Ú·½Ê½ ²¢¿Ú
Á¬½Ó·½Ê½ µ¼µç½ºÌõ£¬Ìú¿ò
¹¤×÷ÎÂ¶È -20¡æ~ 70¡æ
´æ´¢ÎÂ¶È -30¡æ~ 80¡æ
±³¹â¹©µç 3.3V
µçÔ´VDD 3.3V
¹¤ÒÕ COB

 

Èý£ºLH320240C2µãÕóÒº¾§Ä£¿éͼֽ



¡ñ ²¹³ä˵Ã÷£ºÒÔÉÏLH320240C2µãÕóÒº¾§Ä£¿é×ÊÁϽö¹©²Î¿¼£¬ÈçÓÐijÏî´æÔÚÒÉÎÊ£¬¿ÉÒÔÁªÏµÎÒÃǿͷþÌṩ²úÆ·µÄ¹æ¸ñ×ÊÁÏ£¬²úÆ·¾ùÒÔpdf¹æ¸ñΪ׼¡£

 

ÉÏһƪ£ºLcd320240IͼÐεãÕóÒº¾§Ä£¿éÉú²ú³§¼Ò-320240IÒº¾§Ä£×éµÄÖÐÎIJÎÊý
ÏÂһƪ£ºLcd320240E3ͼÐεãÕóÒº¾§Ä£¿éÉú²ú³§¼Ò-320240E3Òº¾§Ä£×éµÄÖÐÎIJÎ

ÈÈÏú²úÆ·£ºµãÕóÒº¾§ÆÁ| ×Ö·ûµãÕóÒº¾§ÆÁ| ¶ÏÂëÒº¾§ÆÁ| ºÚ°×Òº¾§ÆÁ| COBµãÕóÒº¾§ÆÁ
COGµãÕóÒº¾§ÆÁ

º¼ÖÝÁ¢»Í¿Æ¼¼ÓÐÏÞ¹«Ë¾¡¡°æÈ¨ËùÓÐ ©2014 Leehon ºÚ°×Òº¾§ÆÁ:www.lcdlh.com
ÕãICP±¸09088427ºÅ-2 ¿Í·þµç»°£º0571-86684288 ÒµÎñºÏ×÷QQ£º3518470298
×ÉѯÔÚÏßQQ