µ¥É«µãÕóºÚ°×Òº¾§ÆÁ,×Ö·ûÒº¾§ÆÁ,¶ÎÂëÒº¾§ÆÁ

µ¥É«µãÕóºÚ°×Òº¾§ÆÁרҵ¹©Ó¦ÉÌ
µ¥É«µãÕóºÚ°×Òº¾§ÆÁ¿Í·þÈÈÏß
  • Ê×Ò³
  • ¹ØÓÚÎÒÃÇ
  • µãÕóÒº¾§ÆÁ
    COBµãÕóÆÁ COGµãÕóÆÁ ×Ö·ûÐÍÆÁ ¶¨ÖƶÎÂëÆÁ oledÒº¾§ÆÁ ´øÖÐÎÄ×Ö¿âlcd
  • ¶ÎÂëÒº¾§ÆÁ
    ÒÇÆ÷ÒDZíÀàÆÁ ͨѶÆ÷²ÄÀà ¼ÒÓõçÆ÷Àà Æû³µµç×ÓÀà Ò½ÁƱ£½¡Àà ÎÄÓéÓÎÏ·Àà ½ðÈÚµç×ÓÀà VAºÚĤҺ¾§ÆÁ
  • ²ÊɫҺ¾§ÆÁ
  • ÐÂÎÅ×ÊѶ
  • ¼¼Êõ·þÎñ
  • ÁªÏµÎÒÃÇ
ÄãµÄλÖ㺠Ê×Ò³ > µ¥É«Òº¾§ÆÁ > COBµãÕóÆÁ > 240*128 >
µãÕóÒº¾§ÆÁ
  • COBµãÕóÆÁ
  • COGµãÕóÆÁ
  • ×Ö·ûÐÍÆÁ
  • ¶¨ÖƶÎÂëÆÁ
  • oledÒº¾§ÆÁ
  • ´øÖÐÎÄ×Ö¿âlcd

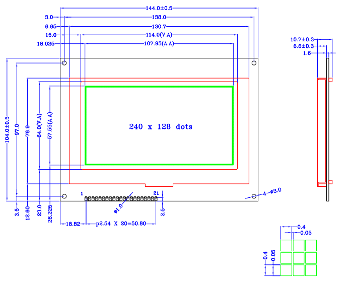
LH240128K3µãÕóÒº¾§Ä£¿é

ÊÓÓò³ß´ç£º114*64 µãÕóÊý£º240*128
ÍâÐͳߴ磺144*104*14.5 ½Ó¿Ú·½Ê½£º²¢¿Ú
Ò»¡¢LH240128K3µãÕóÒº¾§Ä£×éÄ£¿é½éÉÜ
LH240128K3ÊÇLCD240128ϵÁеãÕóÐÍÒº¾§ÏÔʾģ¿é¡£
¶þ¡¢LH240128K3µãÕóÒº¾§Ä£×éÄ£¿é»ù±¾²ÎÊý±íÌØÕ÷
 
LH240128K3µãÕóÒº¾§ÆÁ²ÎÊý±í
²úÆ·ÐͺŠ240128ϵÁÐ
µãÕóÊý 240*128
ÍâÐͳߴç 144*104*10.7
ÊÓÓò³ß´ç 114*64
ÏÔÊ¾ÇøÓò 107.95*57.55
ÏñËØ¼ä¾à 0.45*0.45
ÏñËØ³ß´ç 0.4*0.4
ÏÔʾģʽ FSTN
±³¹âÀàÐÍ WHITE
ÊÓ½Ç 6µãÖÓÖ±¹Û
¿ØÖÆÆ÷ UC1698
Çý¶¯·½Ê½ 1/128 duty£¬1/12 bias
½Ó¿Ú·½Ê½ ²¢¿Ú
Á¬½Ó·½Ê½ µ¼µç½ºÌõ£¬Ìú¿ò
¹¤×÷ÎÂ¶È -20¡æ~ 70¡æ
´æ´¢ÎÂ¶È -30¡æ~ 80¡æ
±³¹â¹©µç 3.3V
µçÔ´VDD 3.3V
¹¤ÒÕ COB

 

Èý£ºLH240128K3µãÕóÒº¾§Ä£×éÄ£¿éͼֽ
LH240128K3

¡ñ ²¹³ä˵Ã÷£ºÒÔÉÏLH240128K3µãÕóÒº¾§Ä£¿é×ÊÁϽö¹©²Î¿¼£¬ÈçÓÐijÏî´æÔÚÒÉÎÊ£¬¿ÉÒÔÁªÏµÎÒÃǿͷþÌṩ²úÆ·µÄ¹æ¸ñ×ÊÁÏ£¬²úÆ·¾ùÒÔpdf¹æ¸ñΪ׼¡£

ËÄ:LCD240128K3Òº¾§Ê¹Óùý³ÌÖÐ×¢ÒâÊÂÏî
LH240128K3µãÕóÒº¾§ÆÁ³ö»õǰ£¬ÎÒÃÇÒѾ­×öÁ˾«È·µÄ×°ÅäºÍµ÷ÊÔ,Òò´Ë¿Í»§ÔÚʹÓòÙ×÷ʱÇë×¢ÒâÒÔÏÂ
¼¸µã:
£¨1£© Ä£¿éÉÏ×°ÓÐ LCD ÆÁ£¬±ØÐë±ÜÃâ¾çÁÒÕ𶯡¢³å»÷¡¢¼·Ñ¹ºÍ´Ó¸ß´¦µôÂä¡£
£¨2£© Òº¾§ÏÔʾģ¿é±ÜÃ⍶¯,²ðж½ðÊôÅ¥½Ç.
£¨3£© ±ÜÃâÔÚÓ¡ÓÐÏß·µÄ¹¤×÷ƽ̨ÉϲÙ×÷.
£¨4£© ±ÜÃâ½Ó´¥,µ÷Õû,Ð޸ĵ¼µçÏð½º.
£¨5£© ·Àֹʩ¼ÓÖ±Á÷µç.
£¨6£© Òº¾§ÏÔʾÆÁÖеÄÒº¾§²ÄÁÏÊÇÓк¦ÎïÖÊ,µ±²»É÷½¦Âäµ½ÊÖ,ÉíÌå,Ò·þµÈ´¦Ê±,Ó¦¾¡¿ìÓ÷ÊÔí
³åÏ´¸É¾»¡£

ÉÏһƪ£ºLcd240128AͼÐεãÕóÒº¾§Ä£¿éÉú²ú³§¼Ò-240128AÒº¾§Ä£×éµÄÖÐÎIJÎÊý
ÏÂһƪ£ºLcd240128CͼÐεãÕóÒº¾§Ä£¿éÉú²ú³§¼Ò-240128CÒº¾§Ä£×éµÄÖÐÎIJÎÊý

ÈÈÏú²úÆ·£ºµãÕóÒº¾§ÆÁ| ×Ö·ûµãÕóÒº¾§ÆÁ| ¶ÏÂëÒº¾§ÆÁ| ºÚ°×Òº¾§ÆÁ| COBµãÕóÒº¾§ÆÁ
COGµãÕóÒº¾§ÆÁ

º¼ÖÝÁ¢»Í¿Æ¼¼ÓÐÏÞ¹«Ë¾¡¡°æÈ¨ËùÓÐ ©2014 Leehon ºÚ°×Òº¾§ÆÁ:www.lcdlh.com
ÕãICP±¸09088427ºÅ-2 ¿Í·þµç»°£º0571-86684288 ÒµÎñºÏ×÷QQ£º3518470298
×ÉѯÔÚÏßQQ