µ¥É«µãÕóºÚ°×Òº¾§ÆÁ,×Ö·ûÒº¾§ÆÁ,¶ÎÂëÒº¾§ÆÁ

µ¥É«µãÕóºÚ°×Òº¾§ÆÁרҵ¹©Ó¦ÉÌ
µ¥É«µãÕóºÚ°×Òº¾§ÆÁ¿Í·þÈÈÏß
  • Ê×Ò³
  • ¹ØÓÚÎÒÃÇ
  • µãÕóÒº¾§ÆÁ
    COBµãÕóÆÁ COGµãÕóÆÁ ×Ö·ûÐÍÆÁ ¶¨ÖƶÎÂëÆÁ oledÒº¾§ÆÁ ´øÖÐÎÄ×Ö¿âlcd
  • ¶ÎÂëÒº¾§ÆÁ
    ÒÇÆ÷ÒDZíÀàÆÁ ͨѶÆ÷²ÄÀà ¼ÒÓõçÆ÷Àà Æû³µµç×ÓÀà Ò½ÁƱ£½¡Àà ÎÄÓéÓÎÏ·Àà ½ðÈÚµç×ÓÀà VAºÚĤҺ¾§ÆÁ
  • ²ÊɫҺ¾§ÆÁ
  • ÐÂÎÅ×ÊѶ
  • ¼¼Êõ·þÎñ
  • ÁªÏµÎÒÃÇ
ÄãµÄλÖ㺠Ê×Ò³ > µ¥É«Òº¾§ÆÁ > COBµãÕóÆÁ > 160*160 >
µãÕóÒº¾§ÆÁ
  • COBµãÕóÆÁ
  • COGµãÕóÆÁ
  • ×Ö·ûÐÍÆÁ
  • ¶¨ÖƶÎÂëÆÁ
  • oledÒº¾§ÆÁ
  • ´øÖÐÎÄ×Ö¿âlcd

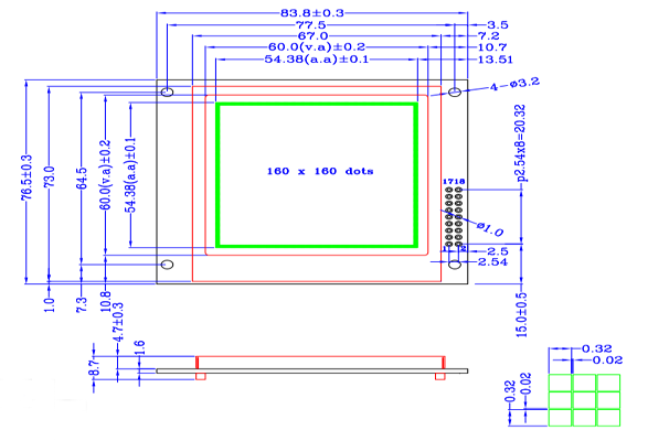
LH160160K3µãÕóÒº¾§ÆÁ

ÊÓÓò³ß´ç£º60.00*60.0 µãÕóÊý£º160*160
ÍâÐͳߴ磺83.8*76.5*8.7 ½Ó¿Ú·½Ê½£º²¢¿Ú
Ò»¡¢LH160160K3µãÕóÒº¾§Ä£×éÄ£¿é½éÉÜ
LH160160K3ÊÇLCD160160ϵÁеãÕóÐÍÒº¾§ÏÔʾģ¿é¡£
¶þ¡¢LH160160K3µãÕóÒº¾§Ä£×éÄ£¿é»ù±¾²ÎÊý±íÌØÕ÷
 
LH160160K3µãÕóÒº¾§ÆÁ²ÎÊý±í
²úÆ·ÐͺŠ160160ϵÁÐ
µãÕóÊý 160*160
LCDÍâÐγߴç 83.8*76.5*8.7
ÊÓ´°´óС£¨V.A£© 60*60
ÓÐЧ´°¿Ú´óС£¨A.A£© 54.38*54.38
ÏñËØ¼ä¾à 0.34*0.34
ÏñËØ³ß´ç 0.32*0.32
ÏÔʾģʽ FSTN£¬°ë͸£¬ÕýÏÔ£¨ÆäËûÑÕÉ«Çë×Éѯ£©
±³¹âÀàÐÍ °×É«²à±³¹â£¨ÆäËûÑÕÉ«Çë×Éѯ£©
ÊÓ½Ç 6µãÖÓÖ±¹Û
¿ØÖÆÆ÷ UC1698
Çý¶¯·½Ê½ 1/160 duty£¬1/10 bias
½Ó¿Ú·½Ê½ ²¢¿Ú
¹¤×÷ÎÂ¶È -20¡æ~ 70¡æ
´æ´¢ÎÂ¶È -30¡æ~ 80¡æ
±³¹â¹©µç 3.0V
µçÔ´VDD 3.3V
¹¤ÒÕ COB

 

Èý£ºLH160160K3µãÕóÒº¾§Ä£×éÄ£¿éͼֽ


¡ñ ²¹³ä˵Ã÷£ºÒÔÉÏLH160160K3µãÕóÒº¾§Ä£¿é×ÊÁϽö¹©²Î¿¼£¬ÈçÓÐijÏ׼ȷ£¬¿ÉÒÔÁªÏµÎÒÃǿͷþÌṩ²úÆ·µÄ¹æ¸ñ×ÊÁÏ£¬²úÆ·¾ùÒÔpdf¹æ¸ñΪ׼¡£


        LH160160K3ÖÐÎÄÏêϸ¹æ¸ñÊéÌ«´ó£¬¾Í²»·ÅÍøÕ¾ÉϹ©ä¯ÀÀºÍÏÂÔØÁË£¬ÓÐÐèÒªµÄ¿Í»§¿ÉÒÔÎʿͷþҪһϡ£
 

ÉÏһƪ£ºlcd160160K1µãÕóÒº¾§ÏÔʾģ¿éÉú²ú³§¼Ò-LH160160K1µ¥É«Òº¾§ÆÁ
ÏÂһƪ£ºÃ»ÓÐÁË

ÈÈÏú²úÆ·£ºµãÕóÒº¾§ÆÁ| ×Ö·ûµãÕóÒº¾§ÆÁ| ¶ÏÂëÒº¾§ÆÁ| ºÚ°×Òº¾§ÆÁ| COBµãÕóÒº¾§ÆÁ
COGµãÕóÒº¾§ÆÁ

º¼ÖÝÁ¢»Í¿Æ¼¼ÓÐÏÞ¹«Ë¾¡¡°æÈ¨ËùÓÐ ©2014 Leehon ºÚ°×Òº¾§ÆÁ:www.lcdlh.com
ÕãICP±¸09088427ºÅ-2 ¿Í·þµç»°£º0571-86684288 ÒµÎñºÏ×÷QQ£º3518470298
×ÉѯÔÚÏßQQ