COBµãÕóÆÁ COGµãÕóÆÁ ×Ö·ûÐÍÆÁ ¶¨ÖƶÎÂëÆÁ oledÒº¾§ÆÁ ´øÖÐÎÄ×Ö¿âlcd
ÒÇÆ÷ÒDZíÀàÆÁ ͨѶÆ÷²ÄÀà ¼ÒÓõçÆ÷Àà Æû³µµç×ÓÀà Ò½ÁƱ£½¡Àà ÎÄÓéÓÎÏ·Àà ½ðÈÚµç×ÓÀà VAºÚĤҺ¾§ÆÁ
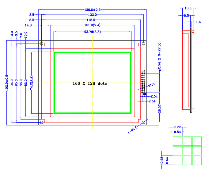
Èý£ºLH160128AµãÕóÒº¾§Ä£×éÄ£¿éͼֽ ¡ñ ²¹³ä˵Ã÷£ºÒÔÉÏLH160128AµãÕóÒº¾§Ä£¿é×ÊÁϽö¹©²Î¿¼£¬ÈçÓÐijÏ׼ȷ£¬¿ÉÒÔÁªÏµÎÒÃǿͷþÌṩ²úÆ·µÄ¹æ¸ñ×ÊÁÏ£¬²úÆ·¾ùÒÔpdf¹æ¸ñΪ׼¡£ ËÄ:LCD160128AÒº¾§Ê¹Óùý³ÌÖÐ×¢ÒâÊÂÏî LH160128AµãÕóÒº¾§ÆÁ³ö»õǰ£¬ÎÒÃÇÒѾ×öÁ˾«È·µÄ×°ÅäºÍµ÷ÊÔ,Òò´Ë¿Í»§ÔÚʹÓòÙ×÷ʱÇë×¢ÒâÒÔÏ ¼¸µã: £¨1£© Ä£¿éÉÏ×°ÓÐ LCD ÆÁ£¬±ØÐë±ÜÃâ¾çÁÒÕ𶯡¢³å»÷¡¢¼·Ñ¹ºÍ´Ó¸ß´¦µôÂä¡£ £¨2£© Òº¾§ÏÔʾģ¿é±ÜÃ⍶¯,²ðж½ðÊôÅ¥½Ç. £¨3£© ±ÜÃâÔÚÓ¡ÓÐÏß·µÄ¹¤×÷ƽ̨ÉϲÙ×÷. £¨4£© ±ÜÃâ½Ó´¥,µ÷Õû,Ð޸ĵ¼µçÏð½º. £¨5£© ·Àֹʩ¼ÓÖ±Á÷µç. £¨6£© Òº¾§ÏÔʾÆÁÖеÄÒº¾§²ÄÁÏÊÇÓк¦ÎïÖÊ,µ±²»É÷½¦Âäµ½ÊÖ,ÉíÌå,Ò·þµÈ´¦Ê±,Ó¦¾¡¿ìÓ÷ÊÔí ³åÏ´¸É¾»¡£
ÈÈÏú²úÆ·£ºµãÕóÒº¾§ÆÁ| ×Ö·ûµãÕóÒº¾§ÆÁ| ¶ÏÂëÒº¾§ÆÁ| ºÚ°×Òº¾§ÆÁ| COBµãÕóÒº¾§ÆÁ COGµãÕóÒº¾§ÆÁ