µ¥É«µãÕóºÚ°×Òº¾§ÆÁ,×Ö·ûÒº¾§ÆÁ,¶ÎÂëÒº¾§ÆÁ

µ¥É«µãÕóºÚ°×Òº¾§ÆÁרҵ¹©Ó¦ÉÌ
µ¥É«µãÕóºÚ°×Òº¾§ÆÁ¿Í·þÈÈÏß
  • Ê×Ò³
  • ¹ØÓÚÎÒÃÇ
  • µãÕóÒº¾§ÆÁ
    COBµãÕóÆÁ COGµãÕóÆÁ ×Ö·ûÐÍÆÁ ¶¨ÖƶÎÂëÆÁ oledÒº¾§ÆÁ ´øÖÐÎÄ×Ö¿âlcd
  • ¶ÎÂëÒº¾§ÆÁ
    ÒÇÆ÷ÒDZíÀàÆÁ ͨѶÆ÷²ÄÀà ¼ÒÓõçÆ÷Àà Æû³µµç×ÓÀà Ò½ÁƱ£½¡Àà ÎÄÓéÓÎÏ·Àà ½ðÈÚµç×ÓÀà VAºÚĤҺ¾§ÆÁ
  • ²ÊɫҺ¾§ÆÁ
  • ÐÂÎÅ×ÊѶ
  • ¼¼Êõ·þÎñ
  • ÁªÏµÎÒÃÇ
ÄãµÄλÖ㺠Ê×Ò³ > µ¥É«Òº¾§ÆÁ > COBµãÕóÆÁ > 128*64 >
µãÕóÒº¾§ÆÁ
  • COBµãÕóÆÁ
  • COGµãÕóÆÁ
  • ×Ö·ûÐÍÆÁ
  • ¶¨ÖƶÎÂëÆÁ
  • oledÒº¾§ÆÁ
  • ´øÖÐÎÄ×Ö¿âlcd

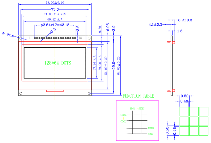
LH12864K40µãÕóÒº¾§Ä£¿é

ÊÓÓò³ß´ç£º48.30*33.6 µãÕóÊý£º128*64
ÍâÐͳߴ磺58*58.5*8.9 ½Ó¿Ú·½Ê½£º´®¿Ú/²¢¿Ú
Ò»¡¢LH12864K40µãÕóÒº¾§Ä£×éÄ£¿é½éÉÜ
LH12864K40ÊÇLCD12864ϵÁеãÕóÐÍÒº¾§ÏÔʾģ¿é¡£
¶þ¡¢LH12864K40µãÕóÒº¾§Ä£×éÄ£¿é»ù±¾²ÎÊý±íÌØÕ÷
 
LH12864K40µãÕóÒº¾§ÆÁ²ÎÊý±í
²úÆ·ÐͺŠ12864ϵÁÐ
µãÕóÊý 128*64
ÍâÐͳߴç 78*64*8.2
ÊÓÓò³ß´ç 71*39
ÏÔÊ¾ÇøÓò 66.52*33.24
ÏñËØ¼ä¾à 0.52*0.52
ÏñËØ³ß´ç 0.48*0.48
ÏÔʾģʽ STN,GRAY
±³¹âÀàÐÍ WHITE
ÊÓ½Ç 6µãÖÓÖ±¹Û
¿ØÖÆÆ÷ ST7565R
Çý¶¯·½Ê½ 1/64 duty£¬1/9 bias
½Ó¿Ú·½Ê½ ²¢/´®¿ÉÑ¡
Á¬½Ó·½Ê½ µ¼µç½ºÌõ£¬Ìú¿ò
¹¤×÷ÎÂ¶È -20¡æ~ 70¡æ
´æ´¢ÎÂ¶È -30¡æ~ 80¡æ
±³¹â¹©µç 3.3V
µçÔ´VDD 3.3V
¹¤ÒÕ COB

 

Èý£ºLH12864K40µãÕóÒº¾§Ä£×éÄ£¿éͼֽ

LH12864K40
¡ñ ²¹³ä˵Ã÷£ºÒÔÉÏLH12864K40µãÕóÒº¾§Ä£¿é×ÊÁϽö¹©²Î¿¼£¬ÈçÓÐijÏ׼ȷ£¬¿ÉÒÔÁªÏµÎÒÃǿͷþÌṩ²úÆ·µÄ¹æ¸ñ×ÊÁÏ£¬²úÆ·¾ùÒÔpdf¹æ¸ñΪ׼¡£

ËÄ:LCD12864K40Òº¾§Ê¹Óùý³ÌÖÐ×¢ÒâÊÂÏî
LH12864K40µãÕóÒº¾§ÆÁ³ö»õǰ£¬ÎÒÃÇÒѾ­×öÁ˾«È·µÄ×°ÅäºÍµ÷ÊÔ,Òò´Ë¿Í»§ÔÚʹÓòÙ×÷ʱÇë×¢ÒâÒÔÏÂ
¼¸µã:
£¨1£© Ä£¿éÉÏ×°ÓÐ LCD ÆÁ£¬±ØÐë±ÜÃâ¾çÁÒÕ𶯡¢³å»÷¡¢¼·Ñ¹ºÍ´Ó¸ß´¦µôÂä¡£
£¨2£© Òº¾§ÏÔʾģ¿é±ÜÃ⍶¯,²ðж½ðÊôÅ¥½Ç.
£¨3£© ±ÜÃâÔÚÓ¡ÓÐÏß·µÄ¹¤×÷ƽ̨ÉϲÙ×÷.
£¨4£© ±ÜÃâ½Ó´¥,µ÷Õû,Ð޸ĵ¼µçÏð½º.
£¨5£© ·Àֹʩ¼ÓÖ±Á÷µç.
£¨6£© Òº¾§ÏÔʾÆÁÖеÄÒº¾§²ÄÁÏÊÇÓк¦ÎïÖÊ,µ±²»É÷½¦Âäµ½ÊÖ,ÉíÌå,Ò·þµÈ´¦Ê±,Ó¦¾¡¿ìÓ÷ÊÔí
³åÏ´¸É¾»¡£


ÉÏһƪ£ºLcd12864EͼÐεãÕóÒº¾§Ä£¿éÉú²ú³§¼Ò-12864EÒº¾§Ä£×éµÄÖÐÎIJÎÊý×Ê
ÏÂһƪ£ºLcd12864AͼÐεãÕóÒº¾§Ä£¿éÉú²ú³§¼Ò-12864DÒº¾§Ä£×éµÄÖÐÎIJÎÊý×Ê

ÈÈÏú²úÆ·£ºµãÕóÒº¾§ÆÁ| ×Ö·ûµãÕóÒº¾§ÆÁ| ¶ÏÂëÒº¾§ÆÁ| ºÚ°×Òº¾§ÆÁ| COBµãÕóÒº¾§ÆÁ
COGµãÕóÒº¾§ÆÁ

º¼ÖÝÁ¢»Í¿Æ¼¼ÓÐÏÞ¹«Ë¾¡¡°æÈ¨ËùÓÐ ©2014 Leehon ºÚ°×Òº¾§ÆÁ:www.lcdlh.com
ÕãICP±¸09088427ºÅ-2 ¿Í·þµç»°£º0571-86684288 ÒµÎñºÏ×÷QQ£º3518470298
×ÉѯÔÚÏßQQ