COBµãÕóÆÁ COGµãÕóÆÁ ×Ö·ûÐÍÆÁ ¶¨ÖƶÎÂëÆÁ oledÒº¾§ÆÁ ´øÖÐÎÄ×Ö¿âlcd
ÒÇÆ÷ÒDZíÀàÆÁ ͨѶÆ÷²ÄÀà ¼ÒÓõçÆ÷Àà Æû³µµç×ÓÀà Ò½ÁƱ£½¡Àà ÎÄÓéÓÎÏ·Àà ½ðÈÚµç×ÓÀà VAºÚĤҺ¾§ÆÁ
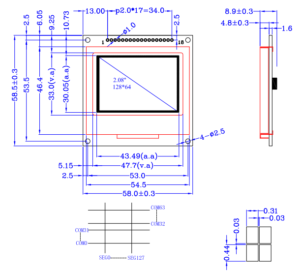
Èý£ºLH12864K14µãÕóÒº¾§Ä£×éÄ£¿éͼֽ ¡ñ ²¹³ä˵Ã÷£ºÒÔÉÏLH12864K14µãÕóÒº¾§Ä£¿é×ÊÁϽö¹©²Î¿¼£¬ÈçÓÐijÏ׼ȷ£¬¿ÉÒÔÁªÏµÎÒÃǿͷþÌṩ²úÆ·LH12864K14µãÕóÒº¾§ÆÁµÄ¹æ¸ñ×ÊÁÏ£¬²úÆ·¾ùÒÔpdf¹æ¸ñΪ׼¡£ LH12864K14ÖÐÎÄÏêϸ¹æ¸ñÊéÌ«´ó£¬¾Í²»·ÅÍøÕ¾ÉϹ©ä¯ÀÀºÍÏÂÔØÁË£¬ÓÐÐèÒªµÄ¿Í»§¿ÉÒÔÎʿͷþҪһϡ£ ¿ØÖÆÆ÷ST7565RÏÂÔØ
ÈÈÏú²úÆ·£ºµãÕóÒº¾§ÆÁ| ×Ö·ûµãÕóÒº¾§ÆÁ| ¶ÏÂëÒº¾§ÆÁ| ºÚ°×Òº¾§ÆÁ| COBµãÕóÒº¾§ÆÁ COGµãÕóÒº¾§ÆÁ