COBµãÕóÆÁ COGµãÕóÆÁ ×Ö·ûÐÍÆÁ ¶¨ÖƶÎÂëÆÁ oledÒº¾§ÆÁ ´øÖÐÎÄ×Ö¿âlcd
ÒÇÆ÷ÒDZíÀàÆÁ ͨѶÆ÷²ÄÀà ¼ÒÓõçÆ÷Àà Æû³µµç×ÓÀà Ò½ÁƱ£½¡Àà ÎÄÓéÓÎÏ·Àà ½ðÈÚµç×ÓÀà VAºÚĤҺ¾§ÆÁ
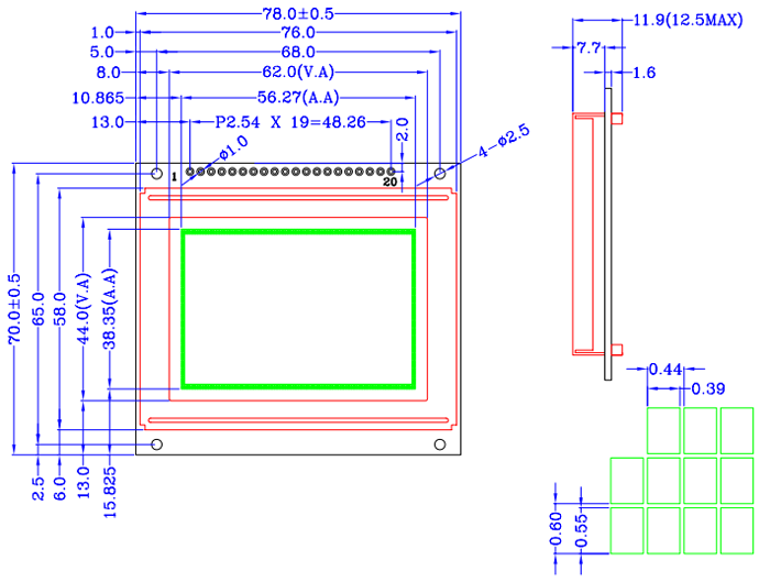
Èý£ºLH12864IµãÕóÒº¾§Ä£×éÄ£¿éͼֽ ËÄ£ºLH12864IµãÕóÒº¾§Ä£×éÄ£¿éʵÎï²Î¿¼Í¼ ×¢£ºÒÔÉÏLH12864IµãÕóÒº¾§Ä£×é×ÊÁϽö¹©²Î¿¼£¬´¿ÊÖ¹¤±à¼£¬ÈçÓдíÎó»òÒÉÎÊ£¬¿ÉÒÔÏÂÔØLH12232K1µãÕóÒº¾§Ä£×éÄ£¿é¹æ¸ñÊ飬²ÎÊý¾ùÒÔPDFÉϵÄΪ׼¡£
ÁíLH12864IÖÐÎÄÏêϸ¹æ¸ñÊéÌ«´ó£¬¾Í²»·ÅÍøÕ¾ÉϹ©ä¯ÀÀºÍÏÂÔØÁË£¬ÓÐÐèÒªµÄ¿Í»§¿ÉÒÔÎʿͷþҪһϡ£
ÈÈÏú²úÆ·£ºµãÕóÒº¾§ÆÁ| ×Ö·ûµãÕóÒº¾§ÆÁ| ¶ÏÂëÒº¾§ÆÁ| ºÚ°×Òº¾§ÆÁ| COBµãÕóÒº¾§ÆÁ COGµãÕóÒº¾§ÆÁ