µ¥É«µãÕóºÚ°×Òº¾§ÆÁ,×Ö·ûÒº¾§ÆÁ,¶ÎÂëÒº¾§ÆÁ

µ¥É«µãÕóºÚ°×Òº¾§ÆÁרҵ¹©Ó¦ÉÌ
µ¥É«µãÕóºÚ°×Òº¾§ÆÁ¿Í·þÈÈÏß
  • Ê×Ò³
  • ¹ØÓÚÎÒÃÇ
  • µãÕóÒº¾§ÆÁ
    COBµãÕóÆÁ COGµãÕóÆÁ ×Ö·ûÐÍÆÁ ¶¨ÖƶÎÂëÆÁ oledÒº¾§ÆÁ ´øÖÐÎÄ×Ö¿âlcd
  • ¶ÎÂëÒº¾§ÆÁ
    ÒÇÆ÷ÒDZíÀàÆÁ ͨѶÆ÷²ÄÀà ¼ÒÓõçÆ÷Àà Æû³µµç×ÓÀà Ò½ÁƱ£½¡Àà ÎÄÓéÓÎÏ·Àà ½ðÈÚµç×ÓÀà VAºÚĤҺ¾§ÆÁ
  • ²ÊɫҺ¾§ÆÁ
  • ÐÂÎÅ×ÊѶ
  • ¼¼Êõ·þÎñ
  • ÁªÏµÎÒÃÇ
ÄãµÄλÖ㺠Ê×Ò³ > µ¥É«Òº¾§ÆÁ > COBµãÕóÆÁ > 128*32 >
µãÕóÒº¾§ÆÁ
  • COBµãÕóÆÁ
  • COGµãÕóÆÁ
  • ×Ö·ûÐÍÆÁ
  • ¶¨ÖƶÎÂëÆÁ
  • oledÒº¾§ÆÁ
  • ´øÖÐÎÄ×Ö¿âlcd

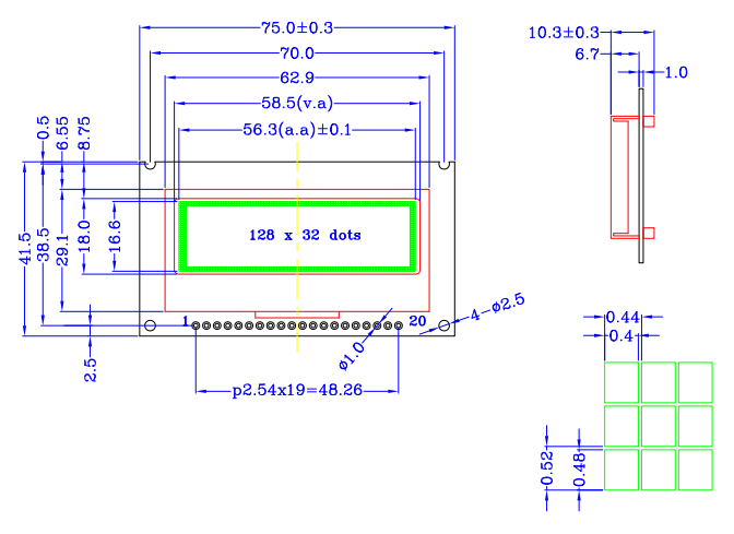
LH12832K4µãÕóÒº¾§Ä£¿é

ÊÓÓò³ß´ç£º58.5*18 µãÕóÊý£º128*32
ÍâÐͳߴ磺75.0*41.5*10.3 ½Ó¿Ú·½Ê½£º´®/²¢¿ÉÑ¡
Ò»¡¢LH12832K4µãÕóÒº¾§Ä£×éÄ£¿é½éÉÜ
LH12832K4ÊÇLCD12232ϵÁеãÕóÐÍÒº¾§ÏÔʾģ¿é¡£
¶þ¡¢LH12832K4µãÕóÒº¾§Ä£×éÄ£¿é»ù±¾²ÎÊý±íÌØÕ÷
 
LH12832K4µ¥É«Òº¾§ÆÁ²ÎÊý±í
²úÆ·ÐͺŠLH12832K4
Òº¾§Ä£×é³ß´ç 2.31"
µãÕóÊý 128*32ϵÁÐ
LCDÍâÐγߴç 75.0*41.5*10.3
ÊÓ´°´óС£¨V.A£© 58.5*18 
ÓÐЧ´°¿Ú´óС£¨A.A£© 56.3*16.6
ÏñËØ¼ä¾à 0.52*0.48
ÏñËØ³ß´ç 0.48*0.44
ÏÔʾģʽ SNT
±³¹âÀàÐÍ WHITE,SIDE
ÊÓ½Ç 6µãÖÓÖ±¹Û
¿ØÖÆÆ÷ SPL502B
Çý¶¯·½Ê½ 1/32 duty£¬1/7 bias
½Ó¿Ú·½Ê½ ²¢/´®¿ÉÑ¡
¹¤×÷ÎÂ¶È -20¡æ~ 70¡æ
´æ´¢ÎÂ¶È -30¡æ~ 80¡æ
±³¹â¹©µç 3.3V
µçÔ´VDD 3.3V
¹¤ÒÕ COB

 


Èý£ºLH12832K4µãÕóÒº¾§Ä£×éÄ£¿éͼֽ
LH12832K4

¡ñ ²¹³ä˵Ã÷£ºÒÔÉÏLH12832K4µãÕóÒº¾§Ä£¿é×ÊÁϽö¹©²Î¿¼£¬ÈçÓÐijÏ׼ȷ£¬¿ÉÒÔÁªÏµÎÒÃǿͷþÌṩ²úÆ·µÄ¹æ¸ñ×ÊÁÏ£¬²úÆ·¾ùÒÔpdf¹æ¸ñΪ׼¡£

 

ÉÏһƪ£ºLcd12832DͼÐεãÕóÒº¾§Ä£¿éÉú²ú³§¼Ò-12832DÒº¾§Ä£×éµÄÖÐÎIJÎÊý×Ê
ÏÂһƪ£ºLcd12832BͼÐεãÕóÒº¾§Ä£¿éÉú²ú³§¼Ò-12832BÒº¾§Ä£×éµÄÖÐÎIJÎÊý×Ê

ÈÈÏú²úÆ·£ºµãÕóÒº¾§ÆÁ| ×Ö·ûµãÕóÒº¾§ÆÁ| ¶ÏÂëÒº¾§ÆÁ| ºÚ°×Òº¾§ÆÁ| COBµãÕóÒº¾§ÆÁ
COGµãÕóÒº¾§ÆÁ

º¼ÖÝÁ¢»Í¿Æ¼¼ÓÐÏÞ¹«Ë¾¡¡°æÈ¨ËùÓÐ ©2014 Leehon ºÚ°×Òº¾§ÆÁ:www.lcdlh.com
ÕãICP±¸09088427ºÅ-2 ¿Í·þµç»°£º0571-86684288 ÒµÎñºÏ×÷QQ£º3518470298
×ÉѯÔÚÏßQQ