µãÕóÒº¾§ÆÁ,×Ö·ûÆÁ,¶ÏÂëÆÁ

µãÕóÒº¾§ÆÁרҵ¹©Ó¦ÉÌ
µãÕóÆÁ¿Í·þÈÈÏß
  • Ê×Ò³
  • ¹ØÓÚÎÒÃÇ
  • µãÕóÒº¾§ÆÁ
    COBµãÕóÒº¾§ÆÁ COGµãÕóÒº¾§ÆÁ ×Ö·ûÐÍÒº¾§ÆÁ ¶¨ÖƶÏÂëÆÁ
  • ¶ÏÂëÒº¾§ÆÁ
    ÒÇÆ÷ÒDZíÀàÆÁ ͨѶÆ÷²ÄÀà ¼ÒÓõçÆ÷Àà Æû³µµç×ÓÀà Ò½ÁƱ£½¡Àà ÎÄÓéÓÎÏ·Àà ½ðÈÚµç×ÓÀà
  • ²ÊɫҺ¾§ÆÁ
  • ÐÂÎÅ×ÊѶ
  • ¼¼Êõ·þÎñ
  • ÁªÏµÎÒÃÇ
ÄãµÄλÖ㺠Ê×Ò³ > µ¥É«Òº¾§ÆÁ > COBµãÕóÒº¾§ÆÁ > 128*64 >
µãÕóÒº¾§ÆÁ
  • COBµãÕóÒº¾§ÆÁ
  • COGµãÕóÒº¾§ÆÁ
  • ×Ö·ûÐÍÒº¾§ÆÁ
  • ¶¨ÖƶÏÂëÆÁ

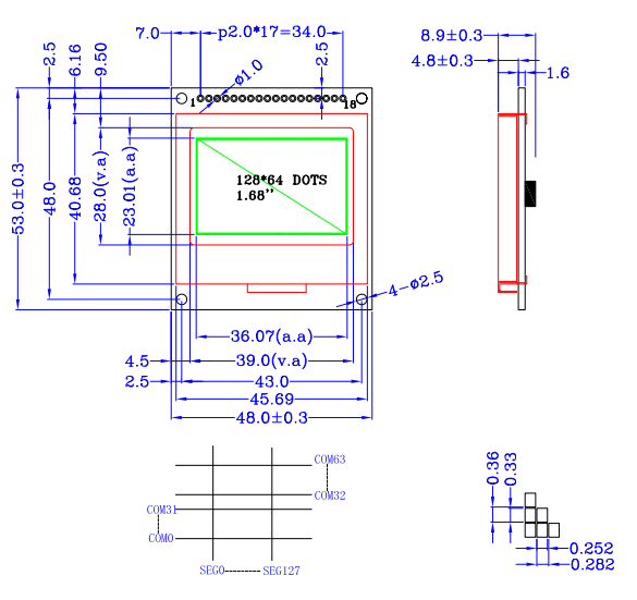
LH12864K11µãÕóÒº¾§Ä£¿é

ÊÓÓò³ß´ç£º44*29 µãÕóÊý£º128*64
ÍâÐͳߴ磺54*50*9 ½Ó¿Ú·½Ê½£º²¢¿Ú
Ò»¡¢LH12864K11µãÕóÒº¾§Ä£×éÄ£¿é½éÉÜ
LH12864K11ÊÇLCD12864ϵÁеãÕóÐÍÒº¾§ÏÔʾģ¿é¡£
¶þ¡¢LH12864K11µãÕóÒº¾§Ä£×éÄ£¿é»ù±¾²ÎÊý±íÌØÕ÷
 
LH12864k11µ¥É«Òº¾§ÆÁ²ÎÊý±í
²úÆ·ÐͺŠ12864ϵÁÐ
µãÕóÊý 128*64
ÍâÐͳߴç 53*48*8.9
ÊÓÓò³ß´ç 39*28
ÏÔÊ¾ÇøÓò 36.07*23.01
ÏñËØ¼ä¾à 0.36*0.282
ÏñËØ³ß´ç 0.33*0.252
ÏÔʾģʽ SNT,YELLOW-GREEN
±³¹âÀàÐÍ WHITE
ÊÓ½Ç 6µãÖÓÖ±¹Û
¿ØÖÆÆ÷ ST7565P
Çý¶¯·½Ê½ 1/64 duty£¬1/9 bias
½Ó¿Ú·½Ê½ ²¢/´®¿ÉÑ¡
Á¬½Ó·½Ê½ µ¼µç½ºÌõ£¬Ìú¿ò
¹¤×÷ÎÂ¶È -10¡æ~ 60¡æ
´æ´¢ÎÂ¶È -30¡æ~ 80¡æ
±³¹â¹©µç 3.3V
µçÔ´VDD 3.3V
¹¤ÒÕ COB

 

Èý£ºLH12864K11µãÕóÒº¾§Ä£×éÄ£¿éͼֽ
LH12864K11µãÕóÒº¾§Ä£¿éͼֽ

¡ñ ²¹³ä˵Ã÷£ºÒÔÉÏLH12864K11µãÕóÒº¾§Ä£¿é×ÊÁϽö¹©²Î¿¼£¬ÈçÓÐijÏ׼ȷ£¬¿ÉÒÔÁªÏµÎÒÃǿͷþÌṩ²úÆ·µÄ¹æ¸ñ×ÊÁÏ£¬²úÆ·¾ùÒÔpdf¹æ¸ñΪ׼¡£

 

ÉÏһƪ£º¡¾Á¢»Í12864LÒº¾§Ä£×é¡¿LH12864LµãÕóÒº¾§Ä£¿éÍâ¹Û³ß´ç113*65*12.
ÏÂһƪ£º¡¾Á¢»Í12864K13Òº¾§Ä£×é¡¿LH12864K13µãÕóÒº¾§Ä£¿éÍâ¹Û³ß´ç75.0*4

ÈÈÏú²úÆ·£ºµãÕóÒº¾§ÆÁ| ×Ö·ûµãÕóÒº¾§ÆÁ| ¶ÏÂëÒº¾§ÆÁ| ºÚ°×Òº¾§ÆÁ| COBµãÕóÒº¾§ÆÁ
COGµãÕóÒº¾§ÆÁ

º¼ÖÝÁ¢»Í¿Æ¼¼ÓÐÏÞ¹«Ë¾¡¡°æÈ¨ËùÓÐ ©2014 Leehon ºÚ°×Òº¾§ÆÁ:www.lcdlh.com
ÕãICP±¸09088427ºÅ-2 ¿Í·þµç»°£º0571-86684288 ÒµÎñºÏ×÷QQ£º949085628
×ÉѯÔÚÏßQQ