µãÕóÒº¾§ÆÁ,×Ö·ûÆÁ,¶ÏÂëÆÁ

µãÕóÒº¾§ÆÁרҵ¹©Ó¦ÉÌ
µãÕóÆÁ¿Í·þÈÈÏß
  • Ê×Ò³
  • ¹ØÓÚÎÒÃÇ
  • µãÕóÒº¾§ÆÁ
    COBµãÕóÆÁ COGµãÕóÆÁ ×Ö·ûÐÍÆÁ ¶¨ÖƶÏÂëÆÁ oledÒº¾§ÆÁ
  • ¶ÏÂëÒº¾§ÆÁ
    ÒÇÆ÷ÒDZíÀàÆÁ ͨѶÆ÷²ÄÀà ¼ÒÓõçÆ÷Àà Æû³µµç×ÓÀà Ò½ÁƱ£½¡Àà ÎÄÓéÓÎÏ·Àà ½ðÈÚµç×ÓÀà
  • ²ÊɫҺ¾§ÆÁ
  • ÐÂÎÅ×ÊѶ
  • ¼¼Êõ·þÎñ
  • ÁªÏµÎÒÃÇ
ÄãµÄλÖ㺠Ê×Ò³ > µ¥É«Òº¾§ÆÁ > COBµãÕóÆÁ > 122*32 >
µãÕóÒº¾§ÆÁ
  • COBµãÕóÆÁ
  • COGµãÕóÆÁ
  • ×Ö·ûÐÍÆÁ
  • ¶¨ÖƶÏÂëÆÁ
  • oledÒº¾§ÆÁ

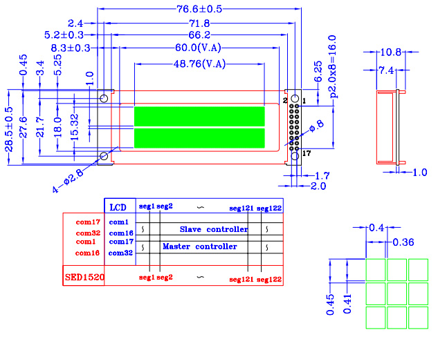
LH12232A4µãÕóÒº¾§Ä£¿é

ÊÓÓò³ß´ç£º59.5*18.1 µãÕóÊý£º122*32
ÍâÐͳߴ磺78.5*30.0*8.9 ½Ó¿Ú·½Ê½£º´®¿Ú
Ò»¡¢LH12232A4µãÕóÒº¾§Ä£¿é½éÉÜ
LH12232A4ÊÇLCD12232ϵÁеãÕóÐÍÒº¾§ÏÔʾģ¿é¡£
¶þ¡¢LH12232A4µãÕóÒº¾§Ä£¿é»ù±¾²ÎÊý±íÌØÕ÷
 
LH12232A4µ¥É«Òº¾§ÆÁ²ÎÊý±í
²úÆ·ÐͺŠ12232ϵÁÐ
µãÕóÊý 122*32
ÍâÐͳߴç 76.6*28.5*10.8
ÊÓÓò³ß´ç 60*18
ÏÔÊ¾ÇøÓò 48.76*15.32
ÏñËØ¼ä¾à 0.40*0.45
ÏñËØ³ß´ç 0.36*0.41
ÏÔʾģʽ SNT,YELLOW-GREEN
±³¹âÀàÐÍ YELLOW-GREEN,BOTTOM
ÊÓ½Ç 6µãÖÓÖ±¹Û
¿ØÖÆÆ÷ SBN1661»òEQUIVALENT
Çý¶¯·½Ê½ 1/32 duty£¬1/5 bias
½Ó¿Ú·½Ê½ ²¢¿Ú
Á¬½Ó·½Ê½ µ¼µç½ºÌõ£¬Ìú¿ò
¹¤×÷ÎÂ¶È -20¡æ~ 70¡æ
´æ´¢ÎÂ¶È -30¡æ~ 80¡æ
±³¹â¹©µç 5V
µçÔ´VDD 5V
¹¤ÒÕ COB

 

Èý£ºLH12232A4µãÕóÒº¾§Ä£¿éÉè¼ÆÍ¼Ö½
LCD12232A4

¡ñ ²¹³ä˵Ã÷£ºÒÔÉÏ×ÊÁϽö¹©²Î¿¼£¬ÈçÓÐijÏ׼ȷ£¬¿ÉÒÔÁªÏµÎÒÃǿͷþÌṩ²úÆ·µÄ¹æ¸ñ×ÊÁÏ£¬²úÆ·¾ùÒÔpdf¹æ¸ñΪ׼¡£

ËÄ£»12232A4Òº¾§Ê¹Óùý³ÌÖÐ×¢ÒâÊÂÏî
LH12232A4ÏÔʾģ¿é³ö»õǰ£¬ÎÒÃÇÒѾ­×öÁ˾«È·µÄ×°ÅäºÍµ÷ÊÔ,Òò´Ë¿Í»§ÔÚʹÓòÙ×÷ʱÇë×¢ÒâÒÔÏÂ
¼¸µã:
£¨1£© Ä£¿éÉÏ×°ÓÐ LCD ÆÁ£¬±ØÐë±ÜÃâ¾çÁÒÕ𶯡¢³å»÷¡¢¼·Ñ¹ºÍ´Ó¸ß´¦µôÂä¡£
£¨2£© Òº¾§ÏÔʾģ¿é±ÜÃ⍶¯,²ðж½ðÊôÅ¥½Ç.
£¨3£© ±ÜÃâÔÚÓ¡ÓÐÏß·µÄ¹¤×÷ƽ̨ÉϲÙ×÷.
£¨4£© ±ÜÃâ½Ó´¥,µ÷Õû,Ð޸ĵ¼µçÏð½º.
£¨5£© ·Àֹʩ¼ÓÖ±Á÷µç.
£¨6£© Òº¾§ÏÔʾÆÁÖеÄÒº¾§²ÄÁÏÊÇÓк¦ÎïÖÊ,µ±²»É÷½¦Âäµ½ÊÖ,ÉíÌå,Ò·þµÈ´¦Ê±,Ó¦¾¡¿ìÓ÷ÊÔí
³åÏ´¸É¾»¡£


 

ÉÏһƪ£º¡¾Á¢»Í12232A3Òº¾§Ä£×é¡¿LH12232A3µãÕóÒº¾§Ä£¿éÍâ¹Û³ß´ç76.4*29.
ÏÂһƪ£º¡¾Á¢»Í12232B2Òº¾§Ä£×é¡¿LH12232B2µãÕóÒº¾§Ä£¿éÍâ¹Û³ß´ç84*44*12

ÈÈÏú²úÆ·£ºµãÕóÒº¾§ÆÁ| ×Ö·ûµãÕóÒº¾§ÆÁ| ¶ÏÂëÒº¾§ÆÁ| ºÚ°×Òº¾§ÆÁ| COBµãÕóÒº¾§ÆÁ
COGµãÕóÒº¾§ÆÁ

º¼ÖÝÁ¢»Í¿Æ¼¼ÓÐÏÞ¹«Ë¾¡¡°æÈ¨ËùÓÐ ©2014 Leehon ºÚ°×Òº¾§ÆÁ:www.lcdlh.com
ÕãICP±¸09088427ºÅ-2 ¿Í·þµç»°£º0571-86684288 ÒµÎñºÏ×÷QQ£º949085628
×ÉѯÔÚÏßQQ